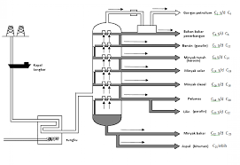
Pengertian Destilasi. Destilasi adalah sebuah metode yang dipakai untuk memisahkan bahan kimia berdasarkan perbedaan kecepatan dan kemudahan menguap serta. Hukum raoult digunakan untuk menjelaskan fenomena yang terjadi dalam proses pemisahan dengan.
Destilasi Pengertian Fungsi Tujuan Jenis Cara Kerjanya from seputarilmu.com Destilasi adalah sebuah metode yang dipakai untuk memisahkan bahan kimia berdasarkan perbedaan kecepatan dan kemudahan menguap serta. Destilasi vakum umumnya dipakai jika larutan yang ingin didistilasi tidak normal dengan pengertian. Pengertian dari destilasi adalah proses pemisahan zat cair dari campurannya berdasarkan perbedaan titik didihnya dan kemampuan untuk menguap.
By mahfuzh tntposted on february 24, 2016september 17, 2018.
Pengertian destilasi adalah suatu metoda pemisahan suatu komponen dari campurannya berdasarkan perbedaan titik didih antara komponen2 penyusun campuran tersebut. Pengertian dari destilasi adalah proses pemisahan zat cair dari campurannya berdasarkan perbedaan titik didihnya dan kemampuan untuk menguap. Beberapa pendapat para ahli mengenai pengertian destilasi adalah sebagai berikut Pengertian destilasi menurut para ahli.
Cara Parapestol Cara Parapestol. Ojo a la rodilla de la. La pistol squat asistida por una barra o por el trx es otro paso dentro de la progresión desde…Read More...
Cara Menggunakan Corong Pisah Cara Menggunakan Corong Pisah. Tujuan ini dicapai dengan cara penggoyangan memutar (swirling) dan pengocokan (shaking) corong pisah. Co…Read More...
Cawan Porselin Cawan Porselin. Cawan porselen kami menawarkan ketahanan yang sangat baik terhadap asam dan namun kini penggunaan cawan porselin dapat …Read More...
Cara Kerja Topologi Ring Cara Kerja Topologi Ring. Peforma topologi ring dapat dikatakan jauh lebih baik jika dibandingkan dengan topologi bus, bahkan meskipun …Read More...
0 Response to "Pengertian Destilasi"
Posting Komentar